电话:021-62522001
作者:黑金刚电容 发布时间:2020-08-05 11:27:45 访问量:6825 来源:NIPPON CHEMI-CON
黑金刚电容贴片型铝电解电容器 MZL系列
●低ESR、保证105℃5,000小时。
●额定电压:6.3~50V。
●静电容量:100~1,500μF。
●可对应耐振构造产品。
●符合AEC-Q200。详情请另行咨询。
◆规格表

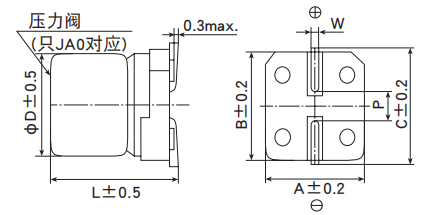
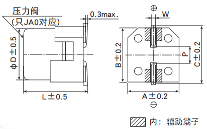
◆尺寸图 (CE32形)[mm]
●端子代码:A

●端子代码:G (耐振构造)


◆标示

●产品的额定电压标示

注:施加超过浪涌电压的电压 , 不仅会造成寿命变短 , 也有发生短路的情况。请检讨不要超过额定电压及上述浪涌电压条件的保护电路。
◆产品型号体系

产品型号代码的详细介绍请参考「产品型号的表示方法 ( 贴片型 )」。
◆标准品一览表

□内为端子代码。
◆额定纹波电流频率修正系数
纹波频率与标准品一览表的规定值相异时,请使用小于乘以下表系数所得之值的值
●频率修正系数

※铝电解电容器由于在纹波电流叠加时自我发热,温度上升而老化, 每升温5℃寿命减少一半。 要想保持长寿命请在使用过程中降低纹波电流。
taptap的下载是一家主要从事电子元器件代理销售和技术支持的专业公司,其中是日本NIPPON CHEMI-CON(NCC电容|黑金刚电容)中国区总代理。
相关资讯推荐:
声明:本文由樱拓贸易收集整理关于 黑金刚电容相关的《黑金刚电容贴片型铝电解电容器 MZL系列》,如转载请保留链接://www.paasos.com/news_in/585。
下一篇:介绍黑金钢电解电容的特点和用处