在线客服

点击这里给我发消息在线客服1
点击这里给我发消息在线客服2
点击这里给我发消息在线客服3
点击这里给我发消息在线客服4

电话:021-62522001

邮箱:sales@intursh.com

NCC电容:超级电容器DKA系列

NCC电容:超级电容器DKA系列

作者:NCC电容    发布时间:2020-09-30 22:49:32  访问量:7348  来源:NIPPON CHEMI-CON


image.png

● 提升模块设计自由度 

● 模块包小型化、省空间。 

● 不受温度范围影像的低阻抗特性。

image.png

◆规格表

1601477010779775.png

◆产品一览表

 DKA系列

1601477264809136.png

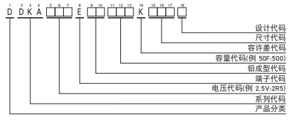
◆产品型号体系

image.png



相关资讯推荐:

NIPPON CHEMI-CON的研究开发介绍

NCC电容产品纳米晶合金核芯 FL系列

电容器主要用途在哪些领域呢?

声明:本文由樱拓贸易收集整理关于 黑金刚电容相关的《NCC电容:超级电容器DKA系列》,如转载请保留链接://www.paasos.com/news_in/662。

上一篇:Nippon Chemi-Con推出世界首款THR铝电解电容器

下一篇:介绍黑金钢电解电容的特点和用处

Baidu
map